থ্রেডেড ফ্ল্যাঞ্জ থ্রেডেড পাইপগুলিতে যোগদানের জন্য একটি সুরক্ষিত, জোড়-মুক্ত সমাধান প্রদান করে পাইপলাইন সংযোগে বিপ্লব ঘটায়, এটি এমন পরিবেশের জন্য চূড়ান্ত পছন্দ যেখানে নিরাপত্তা এবং অভিযোজনযোগ্যতা আলোচনার অযোগ্য। নির্ভুল অভ্যন্তরীণ থ্রেডিং সহ প্রকৌশলী, এই ফ্ল্যাঞ্জটি নির্বিঘ্নে গ্যালভানাইজড স্টিলের পাইপ বা সিস্টেমের সাথে একীভূত হয় যেখানে ঢালাই নিষিদ্ধ - যেমন দাহ্য, বিস্ফোরক, বা অত্যন্ত সংবেদনশীল শিল্প সেটিংস। এর উদ্ভাবনী নকশা ঢালাইয়ের সাথে যুক্ত অগ্নি ঝুঁকি দূর করে, একটি শক্তিশালী, লিক-প্রুফ সিল সরবরাহ করার সময় কঠোর নিরাপত্তা প্রোটোকলের সাথে সম্মতি নিশ্চিত করে যা উচ্চ-চাপের চাহিদা সহ্য করে। থ্রেডেড সংযোগটি দ্রুত ইনস্টলেশন এবং বিচ্ছিন্ন করার অনুমতি দেয়, রক্ষণাবেক্ষণ দলগুলিকে বিশেষ সরঞ্জাম ছাড়াই সমস্যা সমাধান বা আপগ্রেড করার ক্ষমতা দেয়, রাসায়নিক প্রক্রিয়াকরণ, তেল এবং গ্যাস বিতরণ, বা ফার্মাসিউটিক্যাল উত্পাদনের মতো গুরুত্বপূর্ণ ক্রিয়াকলাপগুলিতে ডাউনটাইম হ্রাস করে৷
| আকার | DN15(1/2")-DN600(24") |
| প্রেসার রেটিং | 0.6- 4.0MPa |
| তাপমাত্রা পরিসীমা | -45℃ থেকে 260℃ |
| সার্টিফিকেট | PED, AD2000, EAC, ABS, BV, DNV, NORSOK M650, ISO9001, ISO14001, ISO45001, ইত্যাদি। |
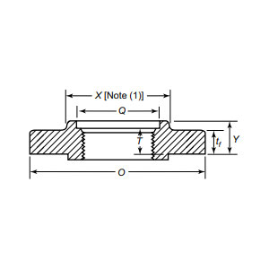
| ফাংশন ভূমিকা | থ্রেডেড ফ্ল্যাঞ্জ অভ্যন্তরীণ পাইপ থ্রেডের মাধ্যমে থ্রেডেড পাইপের সাথে সংযোগ করে, ঢালাই দূর করে। গ্যালভানাইজড স্টিলের পাইপ বা সীমাবদ্ধ ঢালাই পরিবেশের জন্য আদর্শ (দাহ্য্য/বিস্ফোরক)। বৈশিষ্ট্যগুলি সহজ ইনস্টলেশন এবং নমনীয় রক্ষণাবেক্ষণ, বিশেষ করে খাদ ইস্পাত এবং দরিদ্র জোড়যোগ্যতা সহ অন্যান্য উপকরণগুলির জন্য উপযুক্ত। |
| আবেদন ক্ষেত্র | দীর্ঘ-দূরত্বের তেল এবং গ্যাস পাইপলাইন, অফশোর প্ল্যাটফর্ম, রাসায়নিক সরঞ্জাম, জল চিকিত্সা সিস্টেম এবং খাদ্য ও ওষুধ শিল্পে পাইপ ফ্ল্যাঞ্জ সংযোগের জন্য প্রযোজ্য, জটিল কাজের অবস্থার সাথে খাপ খাইয়ে নেওয়া। |
| প্যাকিং | সমুদ্র উপযোগী প্যাকেজ, প্লাইউড কেস বা প্যালেট বা গ্রাহকদের প্রয়োজন অনুযায়ী |
| বৈশিষ্ট্যযুক্ত পণ্য | 1, ছোট ব্যাচ ন্যূনতম অর্ডার; |
ঢালাইয়ের চ্যালেঞ্জ প্রবণ উপকরণগুলির জন্য আদর্শ- যেমন অ্যালয় স্টিল- থ্রেড ফ্ল্যাঞ্জ উপাদানের অখণ্ডতা রক্ষা করে, তাপ দ্বারা সৃষ্ট ভঙ্গুরতা বা বিকৃতি এড়ায়। কার্বন স্টিল বা স্টেইনলেস স্টিলে উপলব্ধ এর জারা-প্রতিরোধী নির্মাণ, অফশোর ড্রিলিং প্ল্যাটফর্ম থেকে ফুড-গ্রেড স্যানিটেশন সিস্টেম পর্যন্ত কঠোর পরিবেশেও দীর্ঘায়ু নিশ্চিত করে। গ্লোবাল স্ট্যান্ডার্ডের সাথে কঠোর সম্মতির দ্বারা সমর্থিত, এই ফ্ল্যাঞ্জ হাইড্রোলিক সিস্টেম, ক্রায়োজেনিক পাইপলাইন এবং দাহ্য তরল স্থানান্তর সহ হাই-স্টেক অ্যাপ্লিকেশনগুলিতে নির্ভরযোগ্যতার গ্যারান্টি দেয়। নিরাপত্তা, দক্ষতা, এবং সাশ্রয়ী রক্ষণাবেক্ষণকে অগ্রাধিকার দেয় এমন শিল্পগুলির জন্য, থ্রেডেড ফ্ল্যাঞ্জ হল একটি রূপান্তরকারী সমাধান। আমাদের প্রিমিয়াম থ্রেড ফ্ল্যাঞ্জের সাথে আজই আপনার পরিকাঠামো উন্নত করুন- যেখানে উদ্ভাবন আপোষহীন নিরাপত্তা পূরণ করে, আপনার সিস্টেমগুলিকে সবচেয়ে চাহিদাপূর্ণ পরিস্থিতিতে ত্রুটিহীনভাবে কাজ করতে সক্ষম করে। আত্মবিশ্বাস চয়ন করুন, স্থায়িত্ব চয়ন করুন এবং আপনার পাইপলাইনের সম্ভাবনাকে পুনরায় সংজ্ঞায়িত করুন৷৷
কাঁচামাল থেকে চূড়ান্ত ডেলিভারি পর্যন্ত, আমরা স্থায়িত্ব, কর্মক্ষমতা এবং ধারাবাহিকতা নিশ্চিত করতে প্রতিটি পর্যায়ে কঠোর নিয়ন্ত্রণ বজায় রাখি।
01
02
03
04
05
06
07
08
09
10
11
12
