স্লিপ অন ফ্ল্যাঞ্জ কম-চাপ সিস্টেমের চাহিদা মেটাতে নির্ভরযোগ্যতার সাথে সরলতার সমন্বয় সাশ্রয়ী পাইপিং সমাধানের ভিত্তি হিসেবে দাঁড়িয়েছে। অনায়াসে ইন্টিগ্রেশনের জন্য ডিজাইন করা হয়েছে, এই ফ্ল্যাঞ্জটি পাইপের উপর স্লাইড করে এবং একটি ফিলেট ওয়েল্ডের মাধ্যমে সুরক্ষিত করা হয়, শ্রম ও উপাদান খরচ কমিয়ে ইনস্টলেশনকে স্ট্রিমলাইন করে- পারফরম্যান্সের সঙ্গে আপস না করে বাজেট-সচেতন প্রকল্পগুলির জন্য আদর্শ। এর মসৃণ সিলিং সারফেস (FF) অ-বিষাক্ত, নিম্ন-চাপের অ্যাপ্লিকেশন যেমন মিউনিসিপ্যাল ওয়াটার নেটওয়ার্ক, এইচভিএসি সিস্টেম এবং সাধারণ শিল্প পাইপলাইনে ফুটো-মুক্ত অপারেশন নিশ্চিত করে, যখন রিইনফোর্সড অবতল-উত্তল (MF) মুখ কিছুটা বেশি চাহিদাপূর্ণ পরিবেশের জন্য সিলিং অখণ্ডতা বাড়ায়।
| ব্যাস পরিসীমা | DN15(1/2")-DN3000(119") |
| চাপ রেটিং | PN6-PN16 |
| সার্টিফিকেট | PED, AD2000, EAC, ABS, BV, DNV, NORSOK M650, ISO9001 ISO14001, ISO45001, ইত্যাদি। |
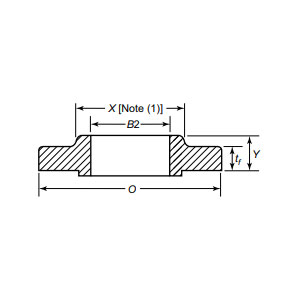
| ফাংশন ভূমিকা | সহজ ঢালাই কাঠামো, খরচ-কার্যকর সমাধান, সহজ ইনস্টলেশন, কম চাপের অ-বিষাক্ত মিডিয়ার জন্য FF (ফ্ল্যাট ফেস), উন্নত সিলিংয়ের জন্য MF (পুরুষ-মহিলা) |
| আবেদন ক্ষেত্র | দীর্ঘ-দূরত্বের তেল এবং গ্যাস পাইপলাইন, অফশোর প্ল্যাটফর্ম, রাসায়নিক সরঞ্জাম, জল চিকিত্সা সিস্টেম এবং খাদ্য ও ওষুধ শিল্পে পাইপ ফ্ল্যাঞ্জ সংযোগের জন্য প্রযোজ্য, জটিল কাজের অবস্থার সাথে খাপ খাইয়ে নেওয়া। |
| প্যাকিং | সমুদ্র উপযোগী প্যাকেজ, প্লাইউড কেস বা প্যালেট বা গ্রাহকদের প্রয়োজন অনুযায়ী |
| বৈশিষ্ট্যযুক্ত পণ্য | 1, ছোট ব্যাচ ন্যূনতম অর্ডার; 2, দ্রুত ডেলিভারি; 3, কাস্টমাইজড উত্পাদন; |
টেকসই কার্বন ইস্পাত বা স্টেইনলেস স্টীল থেকে তৈরি, এটি ক্ষয় এবং যান্ত্রিক চাপ প্রতিরোধ করে, এটি খাদ্য প্রক্রিয়াকরণ থেকে রাসায়নিক উত্পাদন পর্যন্ত শিল্পগুলির জন্য একটি বহুমুখী পছন্দ করে তোলে, যেখানে স্বাস্থ্যবিধি এবং রক্ষণাবেক্ষণের সহজতাকে অগ্রাধিকার দেওয়া হয়। কমপ্যাক্ট, লাইটওয়েট ডিজাইন রেট্রোফিটিং এবং সারিবদ্ধকরণকে সহজ করে, সিস্টেম সম্প্রসারণ বা মেরামতের সময় ডাউনটাইম হ্রাস করে। কৃষি সেচ, ফার্মাসিউটিক্যাল সুবিধা, বা সামুদ্রিক পাইপিং-এ ব্যবহার করা হোক না কেন, স্লিপ অন ফ্ল্যাঞ্জ ASME এবং EN মানগুলির সাথে সম্মতি নিশ্চিত করে বিভিন্ন লেআউটের সাথে নির্বিঘ্নে খাপ খায়। দৃঢ় প্রকৌশলের সাথে সামর্থ্যের ভারসাম্য বজায় রাখার মাধ্যমে, এটি প্রকৌশলীদের নিরাপত্তার ত্যাগ ছাড়াই অবকাঠামোগত খরচ অপ্টিমাইজ করার ক্ষমতা দেয়। আমাদের স্লিপ অন ফ্ল্যাঞ্জের সাথে আজই আপনার পাইপলাইন সিস্টেমগুলি আপগ্রেড করুন - যেখানে সরলতা শক্তির সাথে মিলিত হয়, আপনাকে আরও স্মার্ট তৈরি করতে, সহজে বজায় রাখতে এবং আত্মবিশ্বাসের সাথে পরিচালনা করতে সক্ষম করে৷ দক্ষতা চয়ন করুন, নির্ভরযোগ্যতা চয়ন করুন এবং আপনার পাইপলাইন পরিকাঠামো আজই রূপান্তর করুন৷৷
কাঁচামাল থেকে চূড়ান্ত ডেলিভারি পর্যন্ত, আমরা স্থায়িত্ব, কর্মক্ষমতা এবং ধারাবাহিকতা নিশ্চিত করতে প্রতিটি পর্যায়ে কঠোর নিয়ন্ত্রণ বজায় রাখি।
01
02
03
04
05
06
07
08
09
10
11
12
