সকেট ওয়েল্ডিং ফ্ল্যাঞ্জ উচ্চ-চাপ পাইপলাইন সংযোগগুলিকে নিরবচ্ছিন্ন তরল গতিবিদ্যার সাথে একীভূত করে উচ্চ-চাপের পাইপলাইন সংযোগগুলিকে পুনরায় সংজ্ঞায়িত করে, যা কমপ্যাক্ট, উচ্চ-স্টেকের অ্যাপ্লিকেশনগুলিতে অতুলনীয় কর্মক্ষমতা প্রদানের জন্য প্রকৌশলী। ছোট-ব্যাসের পাইপের জন্য ডিজাইন করা, এই ফ্ল্যাঞ্জটি একটি সকেট ওয়েল্ডিং কনফিগারেশন নিযুক্ত করে যা ওয়েল্ড জয়েন্টকে ফ্ল্যাঞ্জের মধ্যেই আবদ্ধ করে, বাহ্যিক ওয়েল্ড প্রোট্রুশনগুলিকে দূর করে এবং প্রবাহের প্রতিরোধকে কম করে- এমন সিস্টেমে একটি গুরুত্বপূর্ণ সুবিধা যেখানে অশান্তি হ্রাস এবং স্বাস্থ্যবিধি সর্বাগ্রে। লুকানো ঢালাই শুধুমাত্র ফার্মাসিউটিক্যাল বা খাদ্য প্রক্রিয়াকরণ প্ল্যান্টের মতো জীবাণুমুক্ত পরিবেশে পরিচ্ছন্নতা ও পরিদর্শনকে প্রবাহিত করে না বরং কাঠামোগত অখণ্ডতা, তেল ও গ্যাস শোধনাগার, রাসায়নিক চুল্লি বা উচ্চ-চাপের বাষ্প লাইনে কম্পন এবং চাপ বৃদ্ধি প্রতিরোধ করে। নকল কার্বন ইস্পাত বা স্টেইনলেস স্টীল থেকে নির্ভুল-মেশিন করা, এটি ব্যতিক্রমী প্রসার্য শক্তির সাথে জারা প্রতিরোধকে একত্রিত করে, এমনকি চরম তাপমাত্রা এবং চাপের মধ্যেও লিক-প্রুফ সিলিং নিশ্চিত করে৷
| ব্যাস পরিসীমা | DN15(1/2")-DN150(6") |
| চাপ রেটিং | 1.6-16MPa |
| সার্টিফিকেট | PED, AD2000, EAC, ABS, BV, DNV, NORSOK M650, ISO9001, ISO14001, ISO45001, ইত্যাদি। |
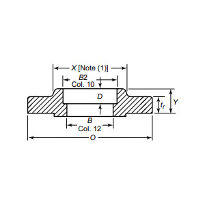
| ফাংশন ভূমিকা | সকেট ঢালাই সংযোগ, লুকানো ঢালাই নকশা প্রবাহ প্রতিরোধের হ্রাস করে, ছোট-ব্যাসের উচ্চ-চাপ প্রয়োগের জন্য অপ্টিমাইজ করা, উচ্চতর সিলিং কর্মক্ষমতা |
| আবেদন ক্ষেত্র | দীর্ঘ-দূরত্বের তেল এবং গ্যাস পাইপলাইন, অফশোর প্ল্যাটফর্ম, রাসায়নিক সরঞ্জাম, জল চিকিত্সা সিস্টেম এবং খাদ্য ও ওষুধ শিল্পে পাইপ ফ্ল্যাঞ্জ সংযোগের জন্য প্রযোজ্য, জটিল কাজের অবস্থার সাথে খাপ খাইয়ে নেওয়া। |
| প্যাকিং | সমুদ্র উপযোগী প্যাকেজ, প্লাইউড কেস বা প্যালেট বা গ্রাহকদের প্রয়োজন অনুযায়ী |
| বৈশিষ্ট্যযুক্ত পণ্য | 1, ছোট ব্যাচ ন্যূনতম অর্ডার; |
এর কমপ্যাক্ট ডিজাইন আঁটসাঁট জায়গায় ইনস্টলেশনকে সহজ করে, যখন শক্তিশালী সংযোগ চক্রীয় তাপ সম্প্রসারণ সহ্য করে, এটি অফশোর প্ল্যাটফর্ম, পাওয়ার জেনারেশন টারবাইন এবং হাইড্রোলিক সিস্টেমের জন্য আদর্শ করে তোলে। সম্ভাব্য দুর্বল পয়েন্টগুলি দূর করে এবং রক্ষণাবেক্ষণ চক্র হ্রাস করে, এই ফ্ল্যাঞ্জ শিল্পগুলিকে দক্ষতার সাথে আপস না করে নিরাপত্তাকে অগ্রাধিকার দেওয়ার ক্ষমতা দেয়। ASME B16.5 মান এবং কঠোর অ-ধ্বংসাত্মক পরীক্ষার সাথে সম্মতি দ্বারা সমর্থিত, এটি মিশন-সমালোচনামূলক অপারেশনগুলিতে নির্ভরযোগ্যতার গ্যারান্টি দেয়। তরল অপ্টিমাইজেশানের সাথে স্থায়িত্বকে বিয়ে করে এমন একটি কমপ্যাক্ট, উচ্চ-চাপের সমাধান খুঁজছেন ইঞ্জিনিয়ারদের জন্য, সকেট ওয়েল্ডিং ফ্ল্যাঞ্জ হল চূড়ান্ত পছন্দ। আমাদের নির্ভুল-ইঞ্জিনিয়ারযুক্ত ফ্ল্যাঞ্জের সাথে আজই আপনার পরিকাঠামো উন্নত করুন- যেখানে উদ্ভাবন স্থিতিস্থাপকতা পূরণ করে, আপনার সিস্টেমগুলিকে নির্ভুলতা, নিরাপত্তা এবং অটুট আত্মবিশ্বাসের সাথে কাজ করতে সক্ষম করে। শ্রেষ্ঠত্ব চয়ন করুন, সহনশীলতা চয়ন করুন এবং আপনার পাইপলাইনের সম্ভাবনাকে রূপান্তর করুন৷৷
কাঁচামাল থেকে চূড়ান্ত ডেলিভারি পর্যন্ত, আমরা স্থায়িত্ব, কর্মক্ষমতা এবং ধারাবাহিকতা নিশ্চিত করতে প্রতিটি পর্যায়ে কঠোর নিয়ন্ত্রণ বজায় রাখি।
01
02
03
04
05
06
07
08
09
10
11
12
